A circular tension sensor, when an object is subjected to external tension or compression, its internal resistance strain gauge will deform accordingly, causing a change in resistance value.
Circular tension sensor,When an object is stretched or compressed by external forces, its internal resistance strain gauges will deform accordingly, resulting in a change in resistance value. The change in resistance value is proportional to the tension applied, and the sensor measures the resistance change to convert the tension into a readable electrical signal output.
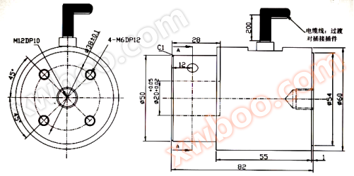
1. Principle and Application of Tension Sensor:
Application principle: Resistance strain gauge principle, high-precision, standard aviation plug
Easy installation: single-sided cantilever roller installation
Application industry:
Textile, papermaking, coating, suitable for measuring the tension of various rolls (such as paper, film, labels, cloth, tape, cling film, battery electrodes, etc.) during the production process
2. Why use a tension sensor?
During the process of unwinding and rewinding, the diameter of the material will constantly change. In addition, the synchronization of equipment operation is inconsistent, which can cause the tension of the coil to be too tight or loose, resulting in uneven thickness, looseness, wrinkles and other problems. By using a tension sensor in conjunction with a display controller, the tension size can be automatically controlled to eliminate quality hazards.
3. Specification parameters:
measure ChengCapacity |
0~50/100/200N |
Zero balanceZero balance |
±0.1mV/V |
Rated OutputRated output |
1.0 ±0.1mV/V |
wriggle become differentcreep |
0.05%R.O./30min |
mistake line sexuallyNon-linearity |
0.05%R.O. |
Zero temperature driftTemp.effect on zero |
0.05%R.O./10℃ |
stagnate afterHysteresis |
0.05%R.O. |
sensitivity temperature driftTemp.effect on output |
0.05%R.O./10℃ |
weight repeated sexuallyRepeatability |
0.05%R.O. |
Input impedanceInput impedance |
350 ±15Ω |
Working temperature range.temp range |
- 20 ~ 80ºC |
Output ImpedanceOut impedance |
350 ± 5Ω |
Temperature compensation rangeCompensated temp range |
-10℃~60℃ |
Insulation impedanceInsulation |
≥2000MΩ |
Recommended incentive voltageRecommended excitation |
5~12VDC |
safe loadSafe overload |
150% R.C. |
material Material |
aluminum alloyAluminium alloy |
Maximum LoadUltimate overload |
200% R.C. |
guide lineCable |
4Core shielded cable3m |
protection gradeProtection class |
IP65 |

